Product Summary
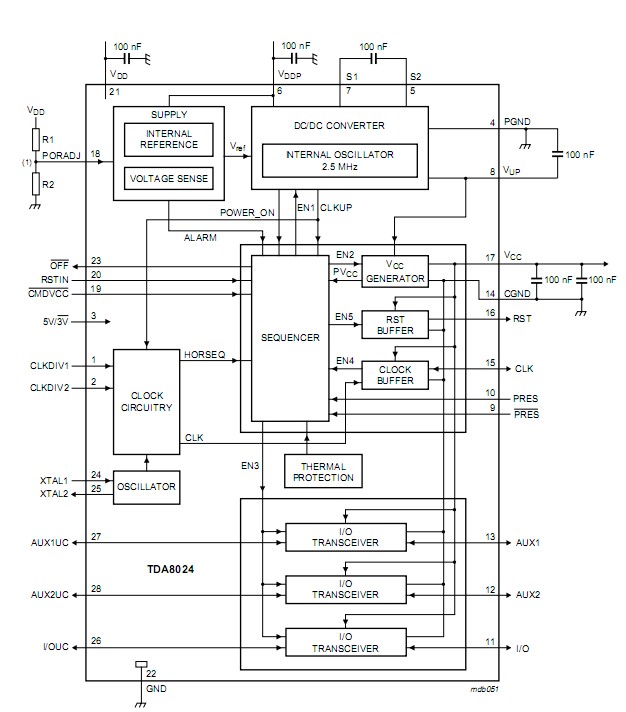
The TDA8024 is a complete and cost-efficient analog interface for asynchronous 3 or 5 V smart cards. It can be placed between the card and the microcontroller to perform all supply, protection and control functions. Very few external components are required.
Parametrics
TDA8024 absolute maximum ratings: (1)supply voltage: -0.3 to +6.5 V; (2)DC/DC converter supply voltage: -0.3 to +6.5 V; (3)voltage on input and output pins pins: -0.3 to +6.5 V; (4)voltage on card pins pins: -0.3 to +6.5 V; (5)voltage on other pins pins: -0.3 to +6.5 V; (6)maximum junction temperature: 150 ℃; (7)storage temperature: -55 to +150 ℃.
Features
TDA8024 features: (1)IC card interface; (2)3 or 5 V supply for the IC (VDD and GND); (3)Three specifically protected half-duplex bidirectional buffered I/O lines to card contacts C4, C7 and C8; (4)DC/DC converter for VCC generation separately powered from a 5 V ± 20% supply (VDDP and PGND); (5)3 or 5V ± 5% regulated card supply voltage (VCC) with appropriate decoupling has the following capabilities; (6)Thermal and short-circuit protection on all card contacts; (7)Enhanced ESD protection on card side (>6 kV); (8)26 MHz integrated crystal oscillator; (9)Built-in debounce on card presence contacts.
Diagrams

| Image | Part No | Mfg | Description | ![]() |
Pricing (USD) |
Quantity | ||||||||||||
|---|---|---|---|---|---|---|---|---|---|---|---|---|---|---|---|---|---|---|
![]() |
![]() TDA8024AT/C1,118 |
![]() NXP Semiconductors |
![]() Power Amplifiers IC Card Interface 28-Pin |
![]() Data Sheet |
![]()
|
|
||||||||||||
![]() |
![]() TDA8024T/C1,118 |
![]() NXP Semiconductors |
![]() I/O Controller Interface IC SMART CARD READER |
![]() Data Sheet |
![]()
|
|
||||||||||||
![]() |
![]() TDA8024TD-T |
![]() NXP Semiconductors |
![]() I/O Controller Interface IC SMART CARD READER INTERFACE |
![]() Data Sheet |
![]() Negotiable |
|
||||||||||||
![]() |
![]() TDA8024T-T |
![]() |
![]() IC SMART CARD INTERFACE 28-SOIC |
![]() Data Sheet |
![]() Negotiable |
|
||||||||||||
![]() |
![]() TDA8024TT/C1,118 |
![]() NXP Semiconductors |
![]() I/O Controller Interface IC SMART CARD INTERFACE |
![]() Data Sheet |
![]()
|
|
||||||||||||
![]() |
![]() TDA8024AT/C1,112 |
![]() NXP Semiconductors |
![]() I/O Controller Interface IC IOCTRL 5V 1.5A 0.56W |
![]() Data Sheet |
![]()
|
|
||||||||||||
![]() |
![]() TDA8024 |
![]() Other |
![]() |
![]() Data Sheet |
![]() Negotiable |
|
||||||||||||
(Hong Kong)










