Product Summary
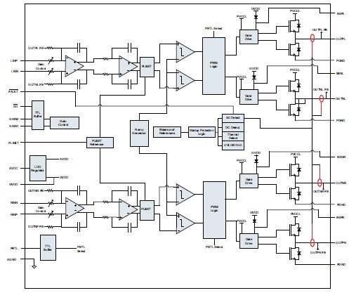
The TPA3110D2PWPR is a 15-W (per channel) efficient, Class-D audio power amplifier for driving bridged-tied stereo speakers. Advanced EMI Suppression Technology enables the use of inexpensive ferrite bead filters at the outputs while meeting EMC requirements. SpeakerGuard speaker protection circuitry includes an adjustable power limiter and a DC detection circuit. The adjustable power limiter allows the user to set a virtual voltage rail lower than the chip supply to limit the amount of current through the speaker. The DC detect circuit measures the frequency and amplitude of the PWM signal and shuts off the output stage if the input capacitors are damaged or shorts exist on the inputs. The TPA3110D2PWPR can drive stereo speakers as low as 4 Ω. The high efficiency of the TPA3110D2PWPR, 90%, eliminates the need for an external heat sink when playing music.
Parametrics
TPA3110D2PWPR absolute maximum ratings: (1)VCC Supply voltage AVCC, PVCC: -0.3 V to 30 V; SD, GAIN0, GAIN1, PBTL, FAULT: -0.3 V to VCC + 0.3 V; (2)VI Interface pin voltage PLIMIT: -0.3 V to GVDD + 0.3 V; RINN, RINP, LINN, LINP: -0.3 V to 6.3 V; (3)TA Operating free-air temperature range: -40℃ to 85℃; (4)TJ Operating junction temperature range: -40℃ to 150℃; (5)Tstg Storage temperature range: -65℃ to 150℃; (6)RL Minimum Load Resistance, BTL: PVCC > 15 V: 4.8; BTL: PVCC ≤ 15 V: 3.2; PBTL: 3.2; (7)ESD Electrostatic discharge, Human body model (all pins): ±2 kV; Charged-device model (all pins) ±500 V.
Features
TPA3110D2PWPR features: (1)15-W/ch into an 8-Ω Loads at 10% THD+N From a 16-V Supply; (2)10-W/ch into 8-Ω Loads at 10% THD+N From a 13-V Supply; (3)30-W into a 4-Ω Mono Load at 10% THD+N From a 16-V Supply; (4)90% Efficient Class-D Operation Eliminates Need for Heat Sinks; (5)Wide Supply Voltage Range Allows Operation from 8 V to 26 V Filter-Free Operation; (6)SpeakerGuard. Speaker Protection Includes Adjustable Power Limiter plus DC Protection; (7)Flow Through Pin Out Facilitates Easy Board Layout; (8)Robust Pin-to-Pin Short Circuit Protection and Thermal Protection with Auto Recovery Option; (9)Excellent THD+N / Pop-Free Performance; (10)Four Selectable, Fixed Gain Settings; (11)Differential Inputs.
Diagrams

| Image | Part No | Mfg | Description | ![]() |
Pricing (USD) |
Quantity | ||||||||||||
|---|---|---|---|---|---|---|---|---|---|---|---|---|---|---|---|---|---|---|
![]() |
![]() TPA3110D2PWPR |
![]() Texas Instruments |
![]() Audio Amplifiers 15W Class D Stereo Amplifier |
![]() Data Sheet |
![]()
|
|
||||||||||||
| Image | Part No | Mfg | Description | ![]() |
Pricing (USD) |
Quantity | ||||||||||||
![]() |
![]() TPA3000D1 |
![]() Other |
![]() |
![]() Data Sheet |
![]() Negotiable |
|
||||||||||||
![]() |
![]() TPA3000D1PWP |
![]() Texas Instruments |
![]() IC AUDIO POWER AMP 24-HTSSOP |
![]() Data Sheet |
![]() Negotiable |
|
||||||||||||
![]() |
![]() TPA3001D1 |
![]() Other |
![]() |
![]() Data Sheet |
![]() Negotiable |
|
||||||||||||
![]() |
![]() TPA3001D1EVM |
![]() Texas Instruments |
![]() Audio IC Development Tools TPA3001D1 Eval Mod |
![]() Data Sheet |
![]()
|
|
||||||||||||
![]() |
![]() TPA3001D1PWP |
![]() Texas Instruments |
![]() Audio Amplifiers Mono High Power Filter-Free Class-D |
![]() Data Sheet |
![]()
|
|
||||||||||||
![]() |
![]() TPA3001D1PWPG4 |
![]() Texas Instruments |
![]() Audio Amplifiers Mono High Power Filter-Free Class-D |
![]() Data Sheet |
![]()
|
|
||||||||||||
(Hong Kong)










