Product Summary
The ATMEGA64A-AU is a low-power CMOS 8-bit microcontroller based on the AVR enhanced RISC architecture. By executing powerful instructions in a single clock cycle, the ATMEGA64A-AU achieves throughputs approaching 1 MIPS per MHz, allowing the system designer to optimize power consumption versus processing speed.
Parametrics
ATMEGA64A-AU absolute maximum ratings: (1)Operating Temperature:-55℃ to +125℃; (2)Storage Temperature:-65℃ to +150℃; (3)Voltage on any Pin except RESET with respect to Ground:-0.5V to VCC+0.5V; (4)Voltage on RESET with respect to Ground:-0.5V to +13.0V; (5)Maximum Operating Voltage:6.0V; (6)DC Current per I/O Pin:40.0 mA; (7)DC Current VCC and GND Pins:200.0mA to 400.0mA.
Features
ATMEGA64A-AU features: (1)130 Powerful Instructions – Most Single Clock Cycle Execution; (2)32 x 8 General Purpose Working Registers + Peripheral Control Registers; (3)Fully Static Operation; (4)Up to 16 MIPS Throughput at 16 MHz; (5)On-chip 2-cycle Multiplier; (6)64K Bytes of In-System Reprogrammable Flash program memory; (7)2K Bytes EEPROM; (8)4K Bytes Internal SRAM; (9)Write/Erase Cycles: 10,000 Flash/100,000 EEPROM; (10)Data retention: 20 years at 85℃/100 years at 25℃; (11)Optional Boot Code Section with Independent Lock Bits; (12)Up to 64K Bytes Optional External Memory Space; (13)Programming Lock for Software Security; (14)SPI Interface for In-System Programming; (15)Real Time Counter with Separate Oscillator; (16)Two 8-bit PWM Channels; (17)6 PWM Channels with Programmable Resolution from 1 to 16 Bits; (18)8-channel, 10-bit ADC; (19)Power-on Reset and Programmable Brown-out Detection; (20) Internal Calibrated RC Oscillator; (21)External and Internal Interrupt Sources; (22)Six Sleep Modes: Idle, ADC Noise Reduction, Power-save, Power down, Standby and Extended Standby; (23)Software Selectable Clock Frequency; (24)ATmega103 Compatibility Mode Selected by a Fuse; (25)Global Pull-up Disable.
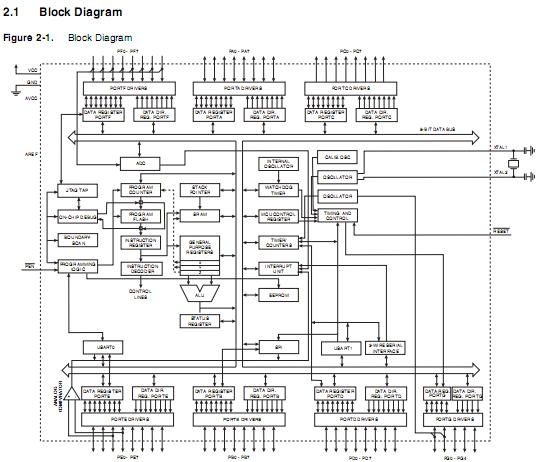
Diagrams

| Image | Part No | Mfg | Description | ![]() |
Pricing (USD) |
Quantity | ||||||||||||
|---|---|---|---|---|---|---|---|---|---|---|---|---|---|---|---|---|---|---|
![]() |
![]() ATMEGA64A-AU |
![]() Atmel |
![]() 8-bit Microcontrollers (MCU) 64K Flsh 2K EEPROM 4K SRAM 16MHz |
![]() Data Sheet |
![]()
|
|
||||||||||||
![]() |
![]() ATMEGA64A-AUR |
![]() Atmel |
![]() 8-bit Microcontrollers (MCU) AVR 64KB FLSH 2KB EE 4KB SRAM-16MHz IND |
![]() Data Sheet |
![]()
|
|
||||||||||||
(Hong Kong)










