Product Summary
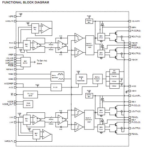
The TPA3004D2PHPR is a 12-W (per channel) efficient, Class-D audio amplifier for driving bridged-tied stereo speakers. The TPA3004D2PHPR can drive stereo speakers as low as 4Ω. The high efficiency of the TPA3004D2PHPR eliminates the need for external heatsinks when playing music. The applications of the device include LCD Monitors and TVs and Powered Speakers.
Parametrics
TPA3004D2PHPR absolute maximum ratings: (1)Supply voltage range: AVCC, PVCC: -0.3 V to 20 V; (2)Load impedance, RL: ≥ 3.6 Ω; (3)Input voltage range, VI, MODE, VREF, VARDIFF, VARMAX, VOLUME, FADE: 0 V to 5.5 V; SD: -0.3 V to VCC + 0.3 V; RINN, RINP, LINN, LINP: -0.3 V to 7 V; (4)Supply current, AVDD: 120 mA; AVDDREF: 10 mA; (5)Output current VAROUTL, VAROUTR: 20 mA; (6)Operating free-air temperature range, TA: -40 to 85℃; (7)Operating junction temperature range, TJ: -40 to 150℃; (8)Storage temperature range, Tstg: -65 to 150℃; (9)Lead temperature 1,6 mm (1/16 inch) from case for 10 seconds: 260℃.
Features
TPA3004D2PHPR features: (1)12-W/Ch Into an 8-? Load From 15-V Supply; (2)Efficient, Class-D Operation Eliminates Heatsinks and Reduces Power Supply Requirements; (3)32-Step DC Volume Control From -40 dB to 36 dB; (4)Line Outputs For External Headphone Amplifier With Volume Control; (5)Regulated 5-V Supply Output for Powering TPA6110A2; (6)Space-Saving, Thermally-Enhanced PowerPAD Packaging; (7)Thermal and Short-Circuit Protection.
Diagrams

| Image | Part No | Mfg | Description | ![]() |
Pricing (USD) |
Quantity | ||||||||||||
|---|---|---|---|---|---|---|---|---|---|---|---|---|---|---|---|---|---|---|
![]() |
![]() TPA3004D2PHPR |
![]() Texas Instruments |
![]() Audio Amplifiers Stereo Hi-Pwr Filter-Free Class-D |
![]() Data Sheet |
![]()
|
|
||||||||||||
![]() |
![]() TPA3004D2PHPRG4 |
![]() Texas Instruments |
![]() Audio Amplifiers Stereo Hi-Pwr Filter-Free Class-D |
![]() Data Sheet |
![]()
|
|
||||||||||||
(Hong Kong)









