Product Summary
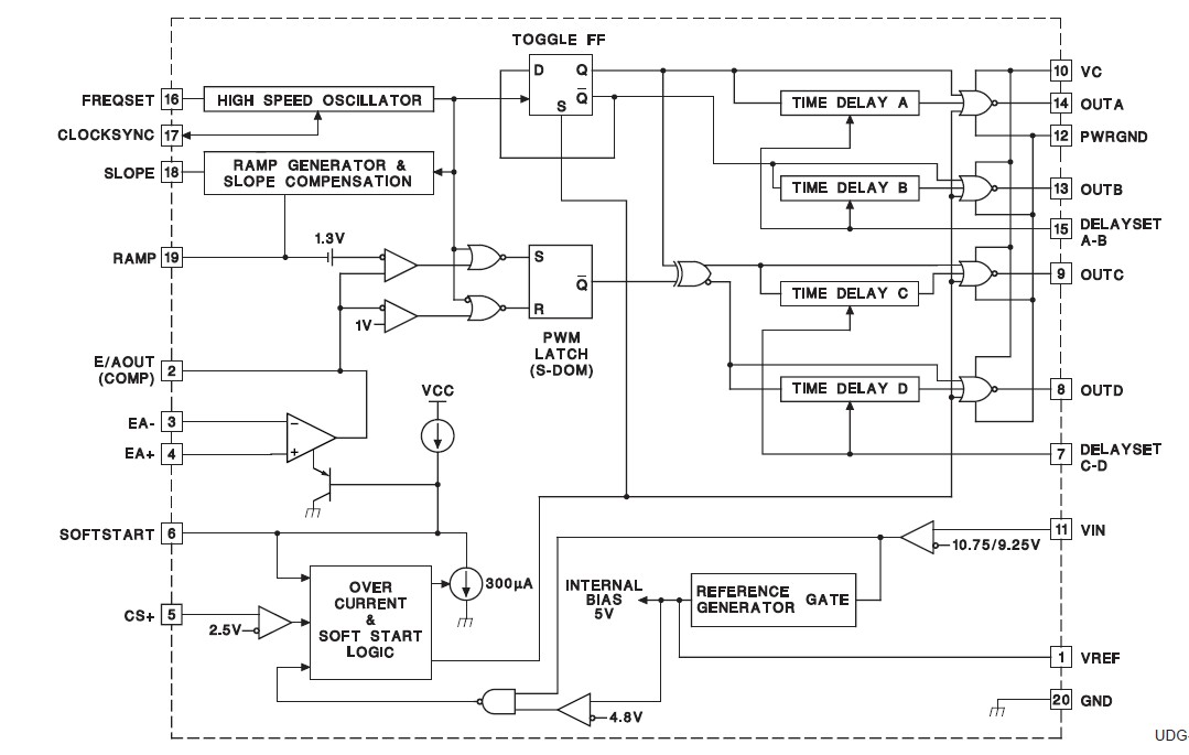
The UC3875N is a Phase Shift Resonant Controller. It implements control of a bridge power stage by phase-shifting the switching of one half-bridge with respect to the other, allowing constant frequency pulse-width modulation in combination with resonant, zero-voltage switching for high efficiency performance at high frequencies. The UC3875N circuit may be configured to provide control in either voltage or current mode operation, with a separate over-current shutdown for fast fault protection. A programmable time delay is provided to insert a dead-time at the turn-on of each output stage. This delay, providing time to allow the resonant switching action, is independently controllable for each output pair (A-B,C-D).
Parametrics
UC3875N absolute maximum ratings: (1)Supply Voltage (VC, VIN): 20V; (2)Output Current, Source or Sink; (3)DC: ; (4)Pulse (0.5μs): 3A; (5)Analog I/0s: –0.3 to 5.3V; (6)Storage Temperature Range: –65℃ to +150℃; (7)Junction Temperature: –55℃ to +150℃; (8)Lead Temperature (Soldering, 10 sec.): +300℃.
Features
UC3875N features: (1)Zero to 100% Duty Cycle Control; (2)Programmable Output Turn-On Delay; (3)Compatible with Voltage or Current Mode Topologies; (4)Practical Operation at Switching Frequencies to 1MHz; (5)Four 2A Totem Pole Outputs; (6)10MHz Error Amplifier; (7)Undervoltage Lockout; (8)Low Startup Current 150μA; (9)Outputs Active Low During UVLO; (10)Soft-Start Control; (11)Latched Over-Current Comparator With Full Cycle Restart; (12)Trimmed Reference.
Diagrams

| Image | Part No | Mfg | Description | ![]() |
Pricing (USD) |
Quantity | ||||||||||||
|---|---|---|---|---|---|---|---|---|---|---|---|---|---|---|---|---|---|---|
![]() |
![]() UC3875N |
![]() Texas Instruments |
![]() Soft Switching PWM Controllers Phase Shift Resonant Controller |
![]() Data Sheet |
![]()
|
|
||||||||||||
![]() |
![]() UC3875NG4 |
![]() Texas Instruments |
![]() Soft Switching PWM Controllers Phase Shift Resonant Controller |
![]() Data Sheet |
![]()
|
|
||||||||||||
(Hong Kong)









