Product Summary
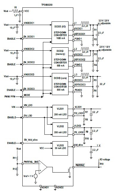
The TPS650250RHBR is an integrated Power Management IC for applications powered by one Li-Ion or Li-Polymer cell, which require multiple power rails. The TPS650250RHBR provides three highly efficient, step-down converters targeted at providing the core voltage, peripheral, I/O and memory rails in a processor based system. All three step-down converters enter a low power mode at light load for maximum efficiency across the widest possible range of load currents. The TPS650250RHBR can be forced into fixed frequency PWM mode by pulling the MODE pin high.
Parametrics
TPS650250RHBR absolute maximum ratings: (1)Input voltage range on all pins except A/PGND pins with respect to AGND: –0.3 to 7 V; (2)Voltage range on pins VLDO1, VLDO2, FB_LDO1, FB_LDO2: –0.3 to 3.6 V; (3)Current at VINDCDC1, L1, PGND1, VINDCDC2, L2, PGND2, VINDCDC3, L3, PGND3: 2000 mA; (4)Peak current at all other pins: 500 mA; (5)Continuous total power dissipation: See Dissipation Rating Table; (6)TA Operating free-air temperature: –40 to 85 ℃; (7)TJ Maximum junction temperature: 125 ℃; (8)Tst Storage temperature: –65 to 150 ℃.
Features
TPS650250RHBR features: (1)1.6A, 97% Efficient Step-Down Converter for System Voltage; (2)2 × 200mA General Purpose LDOs (LDO1 and LDO2); (3)Dynamic Voltage Management for Processor Core; (4)LDO1 and LDO2 Voltage Externally Adjustable; (5)Separate Enable Pins for Inductive Converters; (6)2.25MHz Switching Frequency; (7)85mA Quiescent Current; (8)Thermal Shutdown Protection; (9)30mA LDO for Vdd_alive; (10)adjustable output voltage on VDCDC3.
Diagrams

| Image | Part No | Mfg | Description | ![]() |
Pricing (USD) |
Quantity | ||||||||||||
|---|---|---|---|---|---|---|---|---|---|---|---|---|---|---|---|---|---|---|
![]() |
![]() TPS650250RHBR |
![]() Texas Instruments |
![]() Battery Management Power Mgmt IC for Li-Ion Pwr Sys |
![]() Data Sheet |
![]()
|
|
||||||||||||
| Image | Part No | Mfg | Description | ![]() |
Pricing (USD) |
Quantity | ||||||||||||
![]() |
![]() TPS60100 |
![]() Other |
![]() |
![]() Data Sheet |
![]() Negotiable |
|
||||||||||||
![]() |
![]() TPS60100EVM-131 |
![]() Texas Instruments |
![]() Power Management IC Development Tools 2 batt cells |
![]() Data Sheet |
![]()
|
|
||||||||||||
![]() |
![]() TPS60100PWP |
![]() Texas Instruments |
![]() Charge Pumps Reg 3.3V Lo-Ns Chrg Pump DC-DC Cnvtr |
![]() Data Sheet |
![]()
|
|
||||||||||||
![]() |
![]() TPS60100PWPG4 |
![]() Texas Instruments |
![]() Charge Pumps Reg 3.3V Lo-Ns Chrg Pump DC-DC Cnvtr |
![]() Data Sheet |
![]()
|
|
||||||||||||
![]() |
![]() TPS60100PWPR |
![]() Texas Instruments |
![]() Charge Pumps Reg 3.3V Lo-Ns Chrg Pump DC-DC Cnvtr |
![]() Data Sheet |
![]()
|
|
||||||||||||
![]() |
![]() TPS60100PWPRG4 |
![]() Texas Instruments |
![]() Charge Pumps Reg 3.3V Lo-Ns Chrg Pump DC-DC Cnvtr |
![]() Data Sheet |
![]()
|
|
||||||||||||
(Hong Kong)










